K&B 3.5 C/L engine muffler.

All outboard, inboard and aero questions answered here.
ALSO Veco, Torpedo, Fury, & Stallion

Moderator: SteveM

K&B 3.5 C/L engine muffler.

Postby fargophil » Thu Jan 23, 2014 7:44 pm

I have an old K&B 3.5 C/L engine that has the exhaust outlets facing straight up on the muffler. I would like to have the exhaust ports face to the rear. I removed the two small screws in the body of the muffler and tried to turn the end pieces but to no avail. Am I missing something or are the end caps just a very very tight fit?
fargophil
 
Posts: 8
Joined: Sat May 15, 2010 3:56 pm
Location: Aurora, CO

Re: K&B 3.5 C/L engine muffler.

Postby SteveM » Mon Jan 27, 2014 12:54 pm

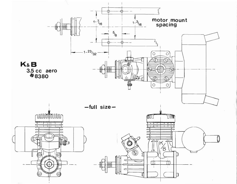
I believe you need the proper muffler with horizontal pipes, old part number #8469. I have an old PDF of the motor with diagram and parts list but I cannot attach it here. I can email you a copy if you like.
Attachments
Parts List.jpg
Parts List.jpg (87.85 KiB) Viewed 31333 times
3 View.jpg
3 View.jpg (60.16 KiB) Viewed 31333 times
SteveM
 
Posts: 242
Joined: Mon Nov 20, 2006 10:33 am
Location: Ottawa, Ontario, CANADA

Re: K&B 3.5 C/L engine muffler.

Postby fargophil » Tue Jan 28, 2014 11:07 am

That is the correct old part number but when I go to the parts availability list for K&B parts the stock status for that muffler is the part number? Not good stock, out of stock, in process just the part number, not real informative.
I could mount the muffler upside down so the stacks point straight down but that would put the pressure fitting on the bottom also. disadvantageous
of that?
fargophil
 
Posts: 8
Joined: Sat May 15, 2010 3:56 pm
Location: Aurora, CO

Re: K&B 3.5 C/L engine muffler.

Postby SteveM » Tue Jan 28, 2014 12:45 pm

I don't work at MECOA and I cannot speak on their behalf. In my opinion, I think it's important to remember that the K&B 3.5cc aero motor has been out of production for decades. K&B went out of business and MECOA bought the rights to the name along with the manufacturing rights. That happened long ago. I very much doubt if there has been any demand, or even a single order for one of these motors or parts, and that once any new old stock was sold there were likely no plans to replenish. Why bother making parts when there is no demand. I have not checked the parts availability, but I am not surprised that there are none in stock. I doubt MECOA will be interested in making one, but you never know. Try sending an email or better yet, give them a call to discuss.
SteveM
 
Posts: 242
Joined: Mon Nov 20, 2006 10:33 am
Location: Ottawa, Ontario, CANADA

Re: K&B 3.5 C/L engine muffler.

Postby fargophil » Wed Jan 29, 2014 1:59 pm

Interestinly they list a good stock or one of the other very similar mufflers yet do not say this one is out of stock or whatever. My best guess is by listing the status as the old part number I am probably out of luck but being the eternal optimist Id like to know for sure if they are available.
Tried to email Mecoa but there is a problem on the server so you cannot email them.
fargophil
 
Posts: 8
Joined: Sat May 15, 2010 3:56 pm
Location: Aurora, CO

Re: K&B 3.5 C/L engine muffler.

Postby SteveM » Wed Jan 29, 2014 5:52 pm

Order phone is 1.800.359.6972

Fax is 626.301.0298
SteveM
 
Posts: 242
Joined: Mon Nov 20, 2006 10:33 am
Location: Ottawa, Ontario, CANADA

Re: K&B 3.5 C/L engine muffler.

Postby MECOA » Sat Feb 15, 2014 10:31 am

part number 30-8923 is the original part 8468 for aero engines
30-8921 is for the outboard and is close to what you want.

http://www.mecoa.com/parts/30/30-89/30-89.htm
MECOA
Site Admin
 
Posts: 1095
Joined: Mon Jun 30, 2003 9:48 pm

Re: K&B 3.5 C/L engine muffler.

Postby Cryhavoc » Sun Feb 14, 2016 2:10 am

fargophil wrote:I have an old K&B 3.5 C/L engine that has the exhaust outlets facing straight up on the muffler. I would like to have the exhaust ports face to the rear. I removed the two small screws in the body of the muffler and tried to turn the end pieces but to no avail. Am I missing something or are the end caps just a very very tight fit?


I noticed this as well. The ends don't turn. Not wanting to damage anything I put the screws back in and set the engine aside but its always bugged me. Can the ends somehow be removed and the ports relocated? If not, why the screws?

Thanks,
Mike
Cryhavoc
 
Posts: 7
Joined: Thu Aug 13, 2015 5:37 pm

Re: K&B 3.5 C/L engine muffler.

Postby MECOA » Thu Feb 25, 2016 7:58 am

The caps are lightly pressed in. The caps have locating notches on the inside so they can only be aligned in certain positions. The screw holes will not line up once you turn the caps.
MECOA
Site Admin
 
Posts: 1095
Joined: Mon Jun 30, 2003 9:48 pm


Return to K&B Mfg. Engine Tech Questions

Who is online

Users browsing this forum: No registered users and 2 guests